产品型号:
FPS 30-010B-G401-3AA4
订购代码
3040.9018.2232
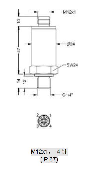
尺寸图:
功能安全性:
接口 :
电流4~20 mA,2线制
机械参数 :
拧紧力矩,[敏感词] 5 Nm
过程连接 G 1/4" (DIN 3852)
重量 120 g
材质 :
外壳材料 不锈钢304 (1.4301)
密封环材料 FKM
插头外壳材料 不锈钢 304 (1.4301)
测量单元材料 陶瓷Al2O3 96%
过程接口材料 不锈钢304 (1.4301)
环境条件:
EN 60068-2-27,冲击 500 g,1 ms
EN 60068-2-6,振动 10 g,25~2000 Hz
介质温度 -25...125 °C
存储温度 -40...85 °C
干扰发射 EN IEC 61000-6-3:2021
抗干扰性 EN IEC 61000-6-2:2019
温度系数,典型 ≤ ±0.5 % FSO/10K
环境温度 -25...85 °C
补偿温度 -25...85 °C

